Навес двускатный

Навес двускатный является самым практичным решением по защите вашего автомобиля и территории двора или парковки от атмосферных осадков. Так же навес может использоваться как беседка или павильон для отдыха. Практичная, классическая форма навеса органично впишется в планировку Вашего участка.

Навес двускатный
от 140,000 р.

Все элементы навеса изготовлены на предприятии и не требуют доработки при монтаже

Применяемые материалы в металлоконструкции:

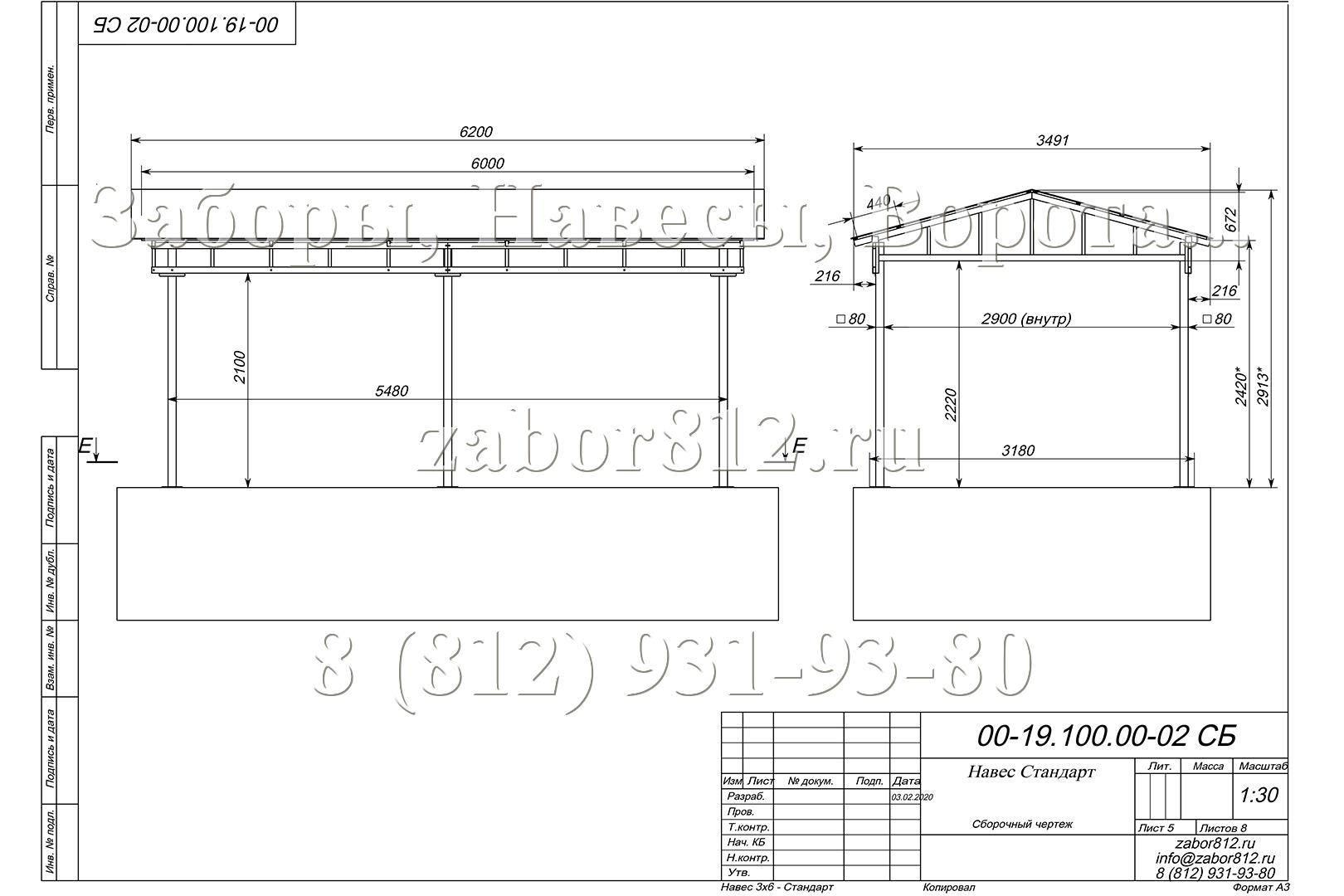
  • Опоры - труба проф. 80х80, или 100х100 (зависит от размеров навеса)
  • Фермы - труба проф. 60х30 и 30х30.

Металлический каркас защищен от коррозии порошковой полимерной атмосферостойкой покраской. Цвет порошковой покраски выбирается заказчиком согласно RAL. За дополнительную плату мы можем сделать предварительное грунтование каркаса цинкосодержащим грунтом или сделать двухслойное окрашивание.

Можем доукомплектовать навес сварными ограждениями, защитными стенками или перегородками, воротами, калиткой.

Покрытие кровли возможно сотовым поликарбонатом, монолитным (литым) поликарбонатом, профнастилом или металлочерепицей.
Цвет покрытия кровли выбирается исходя из цвета стандартно производимых материалов.

Все наши навесы изготавливаются только по проектной документации согласованной с заказчиком. Так же, мы проводим прочностные расчеты на снеговые и ветровые нагрузки для нестандартных навесов.


Односкатные навесы мы производим в трех исполнениях - Стандарт, Стандарт Плюс и Бюджет.

Навес в исполнении Стандарт и Стандарт Плюс имеет сборно-разборный каркас на болтовых соединениях и изготовлен из металлического профиля и соединительных элементов собственной разработки и изготовления. При монтаже, каркас данного типа исполнения собирается преимущественно на болтовых соединениях.

При монтаже, каркас данного типа исполнения собирается на болтовых соединениях без применения сварки.

Серия Стандарт Плюс отличается от Стандарта наличием усиленных ферм, а так же наличием уникальных соединительных элементов, позволяющие собирать нестандартные конструкции навесов с наименьшими трудозатратами.

Модульная универсальная конструкция, позволяет собрать множество вариантов навеса.

Навес в исполнении Бюджет имеет только сварной каркас из металлического профиля.

Данный тип навеса выполнен в облегченном и упрощенном виде, с меньшим количеством ферм и из облегченного профиля. По этой причине мы не рекомендуем ставить такие навесы с большой площадью кровли.


Монтаж всего за два дня (в случае применения в качестве фундамента винтовых свай).

  • Производится устройство фундамента.
  • Производится сборка навеса на фундаменте.

При установке навеса на забетонированные закладные потребуется дополнительное время на застывание бетона.
В любом случае наша бригада будет работать на вашем участке не более двух дней.

  • БЕСПЛАТНЫЙ ВЫЕЗД специалиста на замеры и согласование.
  • Подгонка навеса в требуемый размер по желанию заказчика.
  • БЕСПЛАТНАЯ ПРОЕКТНАЯ ДОКУМЕНТАЦИЯ и инструкция по самостоятельному монтажу (в случае самостоятельной сборки).
  • Все элементы изготовлены на предприятии и не требуют доработки при монтаже.
  • Доставка и монтаж оплачиваются отдельно.
  • Наличный и безналичный расчет.

Средний срок изготовления - от 7 до 15 раб. дней с момента подписания договора и внесения предоплаты
(зависит от текущей загрузки производства).